Harga dan Spesifikasi Isuzu ELF NMR Crane Kapasitas 3 Ton

ISUZU ELF NMR CRANE dan bak 3 way

Dalam dunia industri konstruksi, logistik, dan proyek infrastruktur, kebutuhan akan kendaraan angkut sekaligus alat angkat semakin meningkat. Salah satu pilihan terbaik di kelas medium duty adalah Harga dan Spesifikasi Isuzu ELF NMR Crane Kapasitas 3 Ton yang kini semakin diminati pelaku usaha.

Truk ini menggabungkan kekuatan mesin diesel Isuzu dengan crane hidrolik berkapasitas 3 ton, menjadikannya solusi praktis dan efisien untuk berbagai kebutuhan proyek.

| Selain Isuzu ELF NMR, Isuzu juga memiliki beberapa Mobil Niaga Isuzu lainnya yang cocok untuk distribusi skala Kecil hingga Menengah.

| Jika Anda tertarik membeli unitnya, silakan kunjungi halaman Produk Isuzu ELF NMR untuk informasi harga dan Detail Spesifikasinya.

| Baca juga Artikel tentang : Isuzu ELF NPS: Harga, Spesifikasi, dan Pilihan Karoseri

Mengenal Isuzu ELF NMR Crane Kapasitas 3 Ton

Isuzu ELF NMR adalah truk ringan 6 ban/CDD (Colt Diesel Double) dengan angkutan maksimal yang juga teruji hemat bahan bakar sehingga mampu meningkatkan keuntungan bisnis. Juga ada pilihan tipe yang dilengkapi dengan rasio gardan 5,857 dan 6,500 yang dirancang untuk menghasilkan performa optimal serta daya tanjak maksimal di berbagai kondisi jalan. Kombinasi rasio ini membuat kendaraan lebih bertenaga saat membawa beban berat maupun melintasi medan menanjak.

Selain itu, truk tipe NMR HD menggunakan chassis dengan ketebalan 6 mm yang diperkuat dengan reinforcement tambahan setebal 4,5 mm. Struktur rangka yang kokoh ini memberikan daya tahan ekstra sehingga mampu menghadapi berbagai medan dan tantangan operasional.

Dengan konstruksi yang kuat dan performa andal, Isuzu ELF NMR HD sangat cocok diaplikasikan untuk berbagai kebutuhan karoseri, seperti crane bak besi, dump truck, bak kayu, tangki, hingga box besi.

Konsep Truk Crane untuk Kebutuhan Industri

Isuzu ELF NMR Crane adalah kombinasi antara truk pengangkut dan alat pengangkat (truck mounted crane). Artinya, dalam satu kendaraan, Anda bisa:

  • Mengangkut material
  • Mengangkat barang berat
  • Memindahkan peralatan proyek
  • Menghemat biaya sewa alat berat tambahan

Konsep ini sangat efektif untuk proyek skala kecil hingga menengah.

Segmentasi Pasar dan Target Pengguna

Truk crane 3 ton cocok untuk:

  • Kontraktor bangunan
  • Distributor bahan konstruksi
  • Perusahaan listrik & telekomunikasi
  • Workshop alat berat
  • Industri manufaktur

Harga Isuzu ELF NMR Crane Kapasitas 3 Ton Terbaru

Berapa harga unit ini?

Estimasi Harga On The Road (only chassis)

Harga unit Isuzu ELF NMR di tahun 2026 berada di kisaran:

  • NMR sekitar Rp 506 jutaan
  • NMR L sekitar Rp 517 jutaan
  • NMR HD 5.8  sekitar Rp 517 jutaan
  • NMR HD 6.5 (PTO) sekitar Rp 528 jutaan

Estimasi Harga NMR dan Crane

Harga bisa berbeda tergantung jika include karoseri bak dan crane. Crane ini merupakan truck-mounted crane hidraulik yang dipasang di chassis truk, dan memiliki boom teleskopik yang mampu melakukan pengangkatan sampai radius tertentu sesuai spesifikasi 3 ton. Berikut disampaikan harga truck crane 3 ton dan bak 3 way dengan unit Isuzu ELF tipe NMR dengan menggunakan crane merk Tadano TM ZE 303 dengan kapasitas angkat beban 3 ton, adalah:

Tipe ChassisHarga OTR ChassisHarga CraneHarga Bak 3 wayTotal Hargapanjang bak 3 way
NMR506.000.000394.000.00038.000.000938.000.0003,8 m
NMR L517.000.000394.000.00045.000.000956.000.0004,9 m
NMR HD 5.8517.000.000394.000.00036.000.000947.000.0003,5 m
NMR HD 6.5528.000.000394.000.00036.000.000958.000.0003,5 m
Catatan : Harga truk crane isuzu elf NMR di atas belum termasuk diskon. Silakan klik tautan ini untuk menanyakan diskon harganya. Dan sudah termasuk biaya instalasi crane, PTO, PPN 11% dan SRUT untuk truk crane agar di STNK tertulis truk crane. Harga di atas bisa berubah sewaktu-waktu.

Unit Isuzu yang dapat digunakan crane adalah Isuzu ELF NMR dan Isuzu Giga FVR serta Isuzu GIGA FVM. Perlu diketahui bahwa, instalasi crane Tadano tipe TM-ZE303 membutuhkan space ± 1 meter di belakang kabin truk Isuzu ELF NMRsehingga ukuran bak akan dipotong 1 meter dari ukuran normalnya.

Simulasi Kredit dan Pembiayaan

Berikut ini disampaikan simulasi kredit truk Isuzu ELF tipe NMR crane Tadano kapasitas lifting 3 ton:

Isuzu ELF Tipe NMR + Crane Merk Tadano Kapasitas 3 Ton + Bak Besi 3 Way :

  • Total Uang Muka : 258,282,000 | Angsuran : 67,482,000 x11 bulan
  • Total Uang Muka : 227,777,000 | Angsuran : 36,827,000 x23 bulan
  • Total Uang Muka : 217,955,000 | Angsuran : 26,855,000 x35 bulan
  • Total Uang Muka : 213,444,000 | Angsuran : 22,192,000 x47 bulan

Isuzu ELF Tipe NMR L + Crane Merk Tadano Kapasitas 3 Ton + Bak Besi 3 Way :

  • Total Uang Muka : 263,177,000 | Angsuran : 68,777,000 x11 bulan
  • Total Uang Muka : 232,084,000 | Angsuran : 37,534,000 x23 bulan
  • Total Uang Muka : 222,070,000 | Angsuran : 27,370,000 x35 bulan
  • Total Uang Muka : 217,469,653 | Angsuran : 22,619,653 x47 bulan

Isuzu ELF Tipe NMR HD 5.8 + Crane Merk Tadano Kapasitas 3 Ton + Bak Besi 3 Way :

  • Total Uang Muka : 260,730,000 | Angsuran : 68,130,000 x11 bulan
  • Total Uang Muka : 229,930,000 | Angsuran : 37,180,000 x23 bulan
  • Total Uang Muka : 220,013,000 | Angsuran : 27,113,000 x35 bulan
  • Total Uang Muka : 215,457,000 | Angsuran : 22,407,000 x47 bulan

Isuzu ELF Tipe NMR HD 6.5 + Crane Merk Tadano Kapasitas 3 Ton + Bak Besi 3 Way :

  • Total Uang Muka : 263,721,000 | Angsuran : 68,921,000 x11 bulan
  • Total Uang Muka : 232,562,000 | Angsuran : 37,612,000 x23 bulan
  • Total Uang Muka : 222,527,000 | Angsuran : 27,427,000 x35 bulan
  • Total Uang Muka : 217,917,000 | Angsuran : 22,667,000 x47 bulan

Jenis-jenis Crane dan Karoseri

Harga Truk Crane terbilang cukup mahal, hal ini di kerenakan adanya unit Crane yang terinstal di atas unit Truk serta adanya perubahan karoseri, ada 2 jenis karoseri yang di gunakan untuk aplikasi Crane itu sendiri, Flat deck & bak besi. jenis-jenis crane, antara lain:

  • Truck Mounted Crane (Cargo Crane) : Crane yang dipasang langsung di atas chassis truk. Biasanya digunakan untuk angkat material proyek, mesin, tiang listrik, dan konstruksi ringan. Contoh: crane 3 ton, 5 ton, hingga 10 ton.
  • Knuckle Boom Crane : Crane dengan lengan lipat seperti siku (articulated). Cocok untuk area sempit karena fleksibel dan presisi dalam pengangkatan.
  • Telescopic Boom Crane : Menggunakan boom lurus yang dapat memanjang secara teleskopik. Cocok untuk jangkauan tinggi dan pengangkatan vertikal.
  • Hydraulic Crane : Crane berbasis sistem hidrolik yang umum dipakai pada truk proyek dan logistik berat.
  • Rough Terrain Crane : Dirancang untuk medan berat seperti proyek tambang atau konstruksi off-road.
  • All Terrain Crane : Kombinasi kemampuan jalan raya dan medan berat. Biasanya kapasitas besar.
  • Crawler Crane : Menggunakan roda rantai (track). Tidak dipasang permanen di truk biasa, namun sering digunakan di proyek besar.

Berikut adalah merk Unit Crane

  1. Tadano
  2. Unic
  3. Suny
  4. Palffinger
  5. XCMG

Spesifikasi Mesin Isuzu ELF NMR

Detail Mesin dan Performa

Isuzu ELF NMR dibekali mesin diesel:

  • Tipe: 4HL1-TCS
  • 4 Silinder Direct Injection
  • VGS Turbo Intercooler
  • SOHC
  • Tenaga: ±150 PS
  • Isi Silinder 4,778 cc

Mesin ini terkenal irit, bertenaga, dan tahan lama. Cocok untuk kerja berat setiap hari.

Sistem Transmisi dan Konsumsi BBM

  • Transmisi manual 6 percepatan
  • Sistem pengereman hidrolik + vacuum booster
  • Konsumsi BBM relatif hemat untuk kelas medium truck

Isuzu memang dikenal unggul dalam efisiensi bahan bakar dibanding kompetitor sekelasnya.


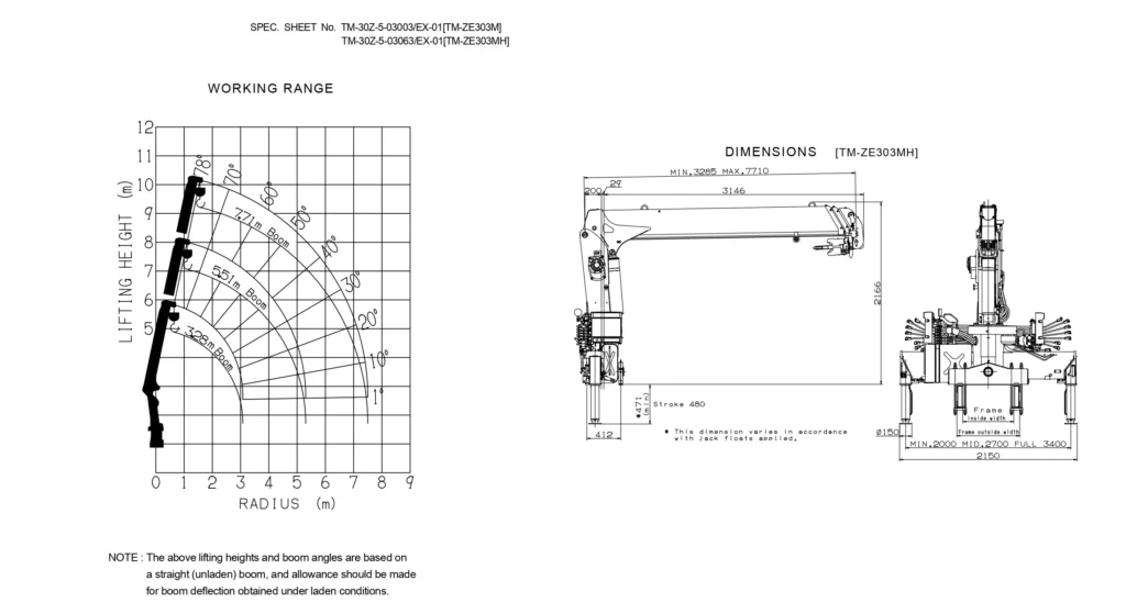
Spesifikasi Crane Tadano Tipe TM ZE 303 Kapasitas 3 ton

Biasanya menggunakan crane hidrolik tipe 3 ton seperti Tadano atau setara. Sebelumnya telah disampaikan jenis-jenis crane dan karoserinya yang cocok dijadikan truk crane. Tipe crane yang digunakan adalah Tadano TM ZE 303 dengan radius jangkauan maksimal 7,71 m. Berikut ini disampaikan spesifikasi rinci Crane Tadano TM ZE 303.

Crane Tadano model TM-ZE303M dan TM-ZE303MH (dengan hook stowing device) memiliki kapasitas angkat maksimum sebesar 3.030 kg pada radius 2,5 meter dengan konfigurasi 4-part line. Crane ini menggunakan boom teleskopik hidrolik tiga section dengan konstruksi box pentagonal yang kokoh. Panjang boom dalam posisi tertarik adalah 3,28 meter dan dapat diperpanjang hingga 7,71 meter.

Detail Boom dan Jangkauan Angkat

Tadano adalah salah satu produsen crane yang sering dipasang pada unit ini.

Spesifikasi umum crane 3 ton:

  • Kapasitas angkat maksimal: 3 ton
  • Boom teleskopik 3 section
  • Sistem rotasi 360°

Sistem Hidrolik dan Keamanan

Fitur keamanan meliputi:

  • Hydraulic stabilizer (outrigger)
  • Overload protection
  • Control valve presisi
  • Emergency stop

Dimensi dan Kapasitas Angkut NMR

  • GVW: ±8.250 kg
  • Panjang chassis optimal untuk bak atau flat deck
  • Wheelbase stabil
  • Cocok untuk area proyek perkotaan maupun rural

Fitur Keamanan dan Kenyamanan

Fitur unggulan:

  • Power steering
  • Slot USB charger
  • kamera mundur
  • Dashboard ergonomis
  • Suspensi kuat dan stabil

Aplikasi dan Kegunaan di Berbagai Industri

Truk ini banyak digunakan untuk:

  • Pengangkatan panel listrik
  • Instalasi tiang PJU
  • Proyek konstruksi gedung
  • Distribusi material berat
  • Pengiriman mesin industri

Biaya Operasional dan Perawatan

Biaya operasional meliputi:

  • Solar industri
  • Servis rutin tiap 10.000 km
  • Penggantian oli dan filter
  • Perawatan sistem hidrolik

Isuzu dikenal memiliki total cost of ownership yang rendah.

Referensi Resmi

Informasi resmi dan detail tambahan mengenai Isuzu dapat dilihat di website resmi Isuzu Indonesia:
🔗 Isuzu-Astra

FAQ Seputar Isuzu ELF NMR Crane

1. Berapa kapasitas maksimal angkat?

Maksimal 3 ton -5 ton sesuai spesifikasi crane.

2. Apakah bisa custom panjang boom?

Bisa, tergantung tipe crane.

3. Apakah Isuzu ELF NMR Crane cocok untuk proyek konstruksi?

Ya, truk ini sangat cocok untuk proyek konstruksi, instalasi listrik, distribusi material berat, dan pekerjaan industri lainnya karena memiliki kombinasi mesin tangguh dan crane hidrolik 3 ton.

4. Berapa konsumsi BBM rata-rata?

Tergantung beban, rata-rata 6–9 km/liter.

5. Apakah tersedia unit ready stock?

Tergantung dealer dan permintaan pasar.

6. Apakah tersedia garansi?

Ya, mengikuti garansi resmi chassis 3 Tahun / 100.000 km dan crane.